Opěrná stěna¶
from __future__ import print_function
import openturns as ot
from openturns.viewer import View
import math as m
from collections import OrderedDict
import re
import matplotlib.pyplot as plt

Výpočet¶
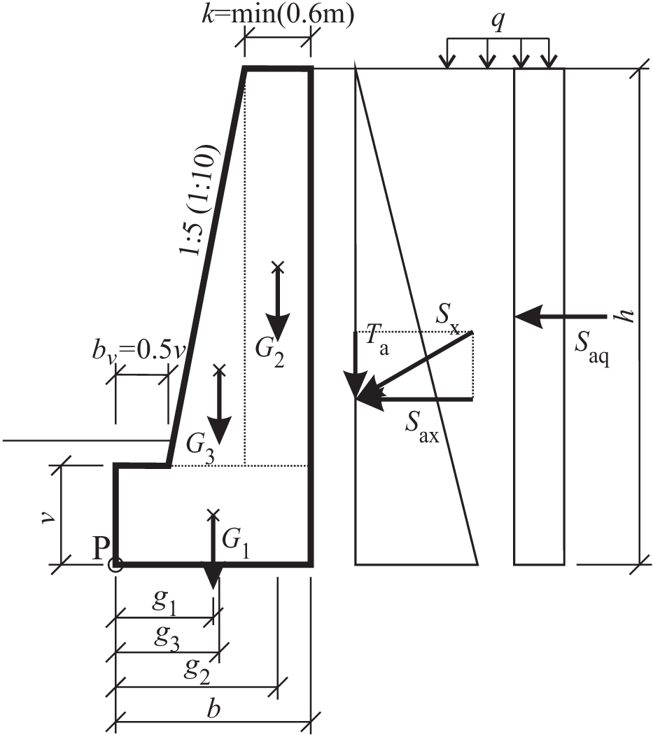
Posouzení opěrné stěny na únosnost v základové spáře provedeme podle následujícího postupu a uvedených vzorců. Označení geometrických rozměrů a sil je zřejmé z obrázku. Stěna je rozdělena na tři geometrické části, pro které vypočítáme vlastní tíhu a polohu těžiště od přední hrany základu (bod P) podle následujících vztahů: \begin{equation}\nonumber G_1 = v b \gamma_{\rm m} \quad G_2 = k \left( h-v \right) \gamma_{\rm m} \quad G_3 = \frac{1}{2}\left( h-v \right)\left( k + \frac{h}{10}\right)\gamma_{\rm m} \end{equation}
\begin{equation}\nonumber G = G_1 + G_2 + G_3 \end{equation}
\begin{equation}\nonumber g_1 = \frac{1}{2} b \quad g_2 = b - \frac{1}{2} k \quad g_3 = b_v + \frac{2}{3}\left( b - b_v -k \right) \end{equation}
Dále si vypočteme síly od zatížení zeminou, budeme uvažovat pouze aktivní zemní tlak za rubem stěny (pasivní tlak zeminy před konstrukcí stěny zanedbáme). Výslednice horizontálního účinku aktivního zemního tlaku působící na stěnu v jedné třetině výšky $h$: \begin{equation}\nonumber S_{\rm ax} = \frac{1}{2} \gamma_{\rm z} h^2 K_{\rm a} \qquad K_{\rm a} = \tan^2 \left( 45^\circ - \frac{\varphi}{2} \right) \end{equation} Výslednice od spojitého přitížení za rubem stěny v jedné polovině výšky $h$: \begin{equation}\nonumber S_{\rm aq} = q K_{\rm a} h \end{equation} Svislý účinek zeminy na stěnu: \begin{equation}\nonumber T_{\rm a} = S_{\rm ax} \tan{\delta} \qquad \delta = \left( \frac{1}{2} \div \frac{1}{3} \right) \varphi \end{equation} Moment k bodu P působící na stěnu: \begin{equation}\nonumber M_{\rm a} = G_1 g_1 + G_2 g_2 + G_3 g_3 - \frac{1}{3} h S_{\rm ax} - S_{\rm aq} \frac{h}{2} + T_{\rm a} b \end{equation} Svislá výslednice působící na základovou zeminu: \begin{equation}\nonumber V = G + T_{\rm a} %H = S_{\rm ax} \quad \end{equation} Efektivní plocha mezi základem a zeminou: \begin{equation}\nonumber A_{\rm ef}=b_{\rm ef} \cdot 1 = (b - 2e)\cdot 1 \quad e = \frac{1}{2} b - a \quad a = \frac{M_{\rm a}}{V} \end{equation} Posouzení únosnosti v základové spáře provedeme podle následující nerovnosti: \begin{equation}\nonumber \sigma = \frac{V}{A_{\rm ef}} < R, \end{equation} kde $\sigma$ je napětí v základové spáře od zatížení působícího na stěnu, které musí být menší než únosnost základové půdy $R$. Únosnost základové půdy budeme pro zjednodušení uvažovat jako náhodnou veličinu zadanou pomocí pravděpodobnostního rozdělení.
Náhodné veličiny¶
Všechny náhodné veličiny jsou uvažovány nezávislé.
Freet | Name | Distribution | Mean | Std | CoV | min | max | |
---|---|---|---|---|---|---|---|---|
x1 | $k$ | Deterministic | 0.8 | |||||
x2 | $\gamma_{\rm m}$ | Normal | 24 | 1.2 | 0.05 | |||
x3 | $q$ | LogNormal | 4 | 0.4 | 0.1 | |||
x4 | $\varphi$ | Truncated Normal | 33 | 4.95 | 0.15 | 31 | 36 | |
x5 | $\gamma_{\rm z}$ | Normal | 20 | 2 | 0.1 | |||
x6 | $R$ | Lognormal | 315 | 37.8 | 0.12 |
Vygenerování funkce dosazením všech mezivýpočtů do výsledné rovnice¶
d = OrderedDict(
k = 'x1', # sirka na vrcholu steny
gamma_m = 'x2', # objemova tiha materialu steny
q = 'x3', # spojite zatizeni za stenou
phi = 'x4', # uhel vnitrniho treni
gamma_z = 'x5', # objemova tiha zeminy
h = '6.0', # vyska steny
v = '1.2', # vyska zakladu
sklon = '5', # sklon lice steny 1:5 az 1:10
# vypocet pomocnych hodnot pro vypocet napeti
# v zakladove spare od zemniho tlaku
# a spojiteho pritizeni za gravitacni stenou
bv = '0.5 * v', # sirka predsazeni zakladu
b = 'k + bv + h / sklon', # sirka zakladu
G1 = 'v * b * gamma_m',
G2 = 'k * (h - v) * gamma_m',
G3 = '1 / 2.0 * (h - v) * (k + h / sklon) * gamma_m',
G = 'G1 + G2 + G3', # vlastni tiha steny
# ramena vlastnich tih k bodu P
g1 = '1 / 2.0 * b',
g2 = 'b - 1 / 2.0 * k',
g3 = 'bv + 2 / 3.0 * (b - bv - k)',
# soucinitel aktivniho zemniho tlaku
K_a = '(tan((45.0 - 0.5 * phi) / 180.0 * pi))^2',
# sila od zemniho tlaku
S_ax = '0.5 * gamma_z * h ^ 2 * K_a',
S_aq = 'q * K_a * h',
# zanedbano
delta = '1/2.0 * phi',# 1/3 az 1/2 * phi
T_a = 'S_ax * tan(delta /180. * pi)',
V = 'G + T_a',
M = 'G1 * g1 + G2 * g2 + G3 * g3 - S_ax * h / 3.0 - S_aq * h / 2.0 + T_a * b',
a = 'M / V',
e = '1 / 2.0 * b - a', # excentricita
A_ef = 'b - 2.0 * e', # efektivni plocha
# napeti v zakladove spare
#sigma_v = 'V / A_ef'
)
sigma_v = 'V / A_ef'
for i in list(d.keys())[::-1]:
sigma_v = re.sub(r'([ (]+)(%s)([ ),]+)' % i, r'\1(%s)\3' % d.get(i), sigma_v)
sigma_v = re.sub(r'^%s ' % i, r'(%s) ' % d.get(i), sigma_v)
sigma_v = re.sub(r' %s$' % i, r' (%s)' % d.get(i), sigma_v)
print(sigma_v)